TOALETA JACHTOWA STACJONARNA RĘCZNA SEAFLO
Producent: SEAFLO
Kod produktu: SFMTM-01
SEAFLO Toaleta morska obsługiwana ręcznie.
Toaleta do jachtu lub pojazdów turystycznych jak przyczepy kempingowe lub kampery. Wykonana z ceramiki i tworzywa sztucznego. Posiada pompkę tłokową, która zasysa i spłukuje wodę po przełączeniu dźwigni.
Może być instalowana zarówno na łodziach motorowych, jak i żaglowych, powyżej lub poniżej linii wodnej, do użytku na morzu, rzece, jeziorze lub kanale.
Twoja instalacja może odprowadzać odpady za burtę (pod warunkiem, że pozwalają na to krajowe i lokalne przepisy), lub do systemu oczyszczania lub do pokładowego zbiornika do przechowywania
Łatwa do czyszczenia miska porcelanowa.
Rękojeść blokująca zabezpiecza przed zalaniem i cofaniem się nieczystości, poprzez zamknięcie zaworu wylotowego. Spłuczka może być zamontowana zarówno z lewej jak i z prawej strony. Odpływ posiada zawór zwrotny Jokera.
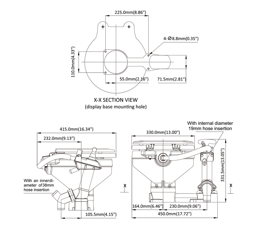
- Króciec wejścia - 19mm (3/4")
- Króciec odpływu - 38mm (1 1/2")
Wymiary na rysunku.
Szer.max -450mm
Wys. - 331,5mm
Głęb. - 415mm












